SND/E/G系列4级安全光幕
特点:◆通过CE安全4级认证;◆规格型号齐全,安装方便,接线简单;◆完善的自检、互检功能;◆抗电磁、光干扰能力强;◆抗振性强,防水、防尘性能优越;◆具有工作状态、接线、故障指示及辅助对光功能;◆具有安全监控的双路PNP输出(可定制双路NPN输出);◆具备EDM、辅助输出功能。 技术参数:保护...
特点:
◆通过CE安全4级认证;
◆规格型号齐全,安装方便,接线简单;
◆完善的自检、互检功能;
◆抗电磁、光干扰能力强;
◆抗振性强,防水、防尘性能优越;
◆具有工作状态、接线、故障指示及辅助对光功能;
◆具有安全监控的双路PNP输出(可定制双路NPN输出);
◆具备EDM、辅助输出功能。
技术参数:
| 保护长度 | D: 0~8000mm; G: 0-10000mm(标准) | E: 0~20000mm(标准), G: 0~40000mm(超长) |
| 光轴间距 | 20mm, 40mm, 80mm,160mm,320mm | 20mm, 40mm, 80mm,160mm,320mm |
| 检测精度 | 30mm, 50mm, 100mm,180mm,340mm | 40mm, 60mm, 100mm,180mm,340mm |
| 保护高度 | 光轴间距×(光束数-1) | |
| 工作电源 | DC12V~24V | |
| 工作电流 | <200mA | |
| 负载电流 | <200mA | |
| 响应时间 | <20ms | |
| 诊断覆盖率 | >99% | |
| 平均无危险故障时间 | 200a | |
| 安全等级 | PL e (EN ISO 13849) | |
| 防护等级 | IP65 | |
| 工作温度 | –10°C ~ +55°C | |
| 环境湿度 | 20°C, RH ≤85% | |
| 抗光干扰 | 10000Lux (入射角≥ 5°) | |
| 抗振动 | 频率:10~55Hz, 振幅:0.35mm | |
选型表:

L:传感器高度, H:保护高度;H1=47mm,第一束光与下端盖距离
| 光轴间距20mm | 光轴间距40mm | 光轴间距80mm | |||||||||
| 规格 | 光束 | H | L | 规格 | 光束 | H | L | 规格 | 光束 | H | L |
| SND0820 | 08 | 140 | 210 | SND0440 | 04 | 120 | 210 | SND0280 | 02 | 80 | 210 |
| SND1020 | 10 | 180 | 250 | SND0640 | 06 | 200 | 290 | SND0380 | 03 | 160 | 290 |
| SND1220 | 12 | 220 | 290 | SND0840 | 08 | 280 | 370 | SND0480 | 04 | 240 | 370 |
| SND1420 | 14 | 260 | 330 | SND1040 | 10 | 360 | 450 | SND0580 | 05 | 320 | 450 |
| SND1620 | 16 | 300 | 370 | SND1240 | 12 | 440 | 530 | SND0680 | 06 | 400 | 530 |
| SND1820 | 18 | 340 | 410 | SND1440 | 14 | 520 | 610 | SND0780 | 07 | 480 | 610 |
| SND2020 | 20 | 380 | 450 | SND1640 | 16 | 600 | 690 | SND0880 | 08 | 560 | 690 |
| SND2220 | 22 | 420 | 490 | SND1840 | 18 | 680 | 770 | SND0980 | 09 | 640 | 770 |
| SND2420 | 24 | 460 | 530 | SND2040 | 20 | 760 | 850 | SND1080 | 10 | 720 | 850 |
| SND2620 | 26 | 500 | 570 | SND2240 | 22 | 840 | 930 | SND1180 | 11 | 800 | 930 |
| SND2820 | 28 | 540 | 610 | SND2440 | 24 | 920 | 1010 | SND1280 | 12 | 880 | 1010 |
| SND3020 | 30 | 580 | 650 | SND2640 | 26 | 1000 | 1090 | SND1380 | 13 | 960 | 1090 |
| SND3220 | 32 | 620 | 690 | SND2840 | 28 | 1080 | 1170 | SND1480 | 14 | 1040 | 1170 |
| SND3420 | 34 | 660 | 730 | SND3040 | 30 | 1160 | 1250 | SND1580 | 15 | 1120 | 1250 |
| SND3620 | 36 | 700 | 770 | SND3240 | 32 | 1240 | 1330 | SND1680 | 16 | 1200 | 1330 |
| SND3820 | 38 | 740 | 810 | SND3440 | 34 | 1320 | 1410 | SND1780 | 17 | 1280 | 1410 |
| SND4020 | 40 | 780 | 850 | SND3640 | 36 | 1400 | 1490 | SND1880 | 18 | 1360 | 1490 |
| SND4220 | 42 | 820 | 890 | SND3840 | 38 | 1480 | 1570 | SND1980 | 19 | 1440 | 1570 |
| SND4420 | 44 | 860 | 930 | SND4040 | 40 | 1560 | 1650 | SND2080 | 20 | 1520 | 1650 |
| SND4620 | 46 | 900 | 970 | SND4240 | 42 | 1640 | 1730 | 光轴间距160mm | |||
| SND4820 | 48 | 940 | 1010 | SND4440 | 44 | 1720 | 1810 | 规格 | 光束 | H | L |
| SND5020 | 50 | 980 | 1050 | SND4640 | 46 | 1800 | 1890 | SND02160 | 02 | 160 | 290 |
| SND5220 | 52 | 1020 | 1090 | SND4840 | 48 | 1880 | 1970 | SND03160 | 03 | 320 | 450 |
| SND5420 | 54 | 1060 | 1130 | SND5040 | 50 | 1960 | 2050 | SND04160 | 04 | 480 | 610 |
| SND5620 | 56 | 1100 | 1170 | SND5240 | 52 | 2040 | 2130 | SND05160 | 05 | 640 | 770 |
| SND5820 | 58 | 1140 | 1210 | SND5440 | 54 | 2120 | 2210 | SND06160 | 06 | 800 | 930 |
| SND6020 | 60 | 1180 | 1250 | SND5640 | 56 | 2200 | 2290 | SND07160 | 07 | 960 | 1090 |
| SND6220 | 62 | 1220 | 1290 | SND5840 | 58 | 2280 | 2370 | SND08160 | 08 | 1120 | 1250 |
| SND6420 | 64 | 1260 | 1330 | SND6040 | 60 | 2360 | 2450 | SND09160 | 09 | 1280 | 1410 |
| SND6620 | 66 | 1300 | 1370 | SND6240 | 62 | 2440 | 2530 | SND10160 | 10 | 1440 | 1570 |
| SND6820 | 68 | 1340 | 1410 | SND6440 | 64 | 2520 | 2610 | SND11160 | 11 | 1600 | 1730 |
| SND7020 | 70 | 1380 | 1450 | SND6640 | 66 | 2600 | 2690 | SND12160 | 12 | 1760 | 1890 |
| SND7220 | 72 | 1420 | 1490 | SND6840 | 68 | 2680 | 2770 | 光轴间距320mm | |||
| SND7420 | 74 | 1460 | 1530 | SND7040 | 70 | 2760 | 2850 | 规格 | 光束 | H | L |
| SND7620 | 76 | 1500 | 1570 | SND7240 | 72 | 2840 | 2930 | SND02320 | 02 | 320 | 450 |
| SND7820 | 78 | 1540 | 1610 | SND03320 | 03 | 640 | 770 | ||||
| SND8020 | 80 | 1580 | 1650 | SND04320 | 04 | 960 | 1090 | ||||
| SND8220 | 82 | 1620 | 1690 | SND05320 | 05 | 1280 | 1410 | ||||
| SND8420 | 84 | 1660 | 1730 | ||||||||
| SND8620 | 86 | 1700 | 1770 | ||||||||
| SND8820 | 88 | 1740 | 1810 | ||||||||
| SND9020 | 90 | 1780 | 1850 | ||||||||
| SND9220 | 92 | 1820 | 1890 | ||||||||
| SND9420 | 94 | 1860 | 1930 | ||||||||
| SND9620 | 96 | 1900 | 1970 | ||||||||
| SND9820 | 98 | 1940 | 2010 | ||||||||
| SND10020 | 100 | 1980 | 2050 | ||||||||
注:E/G系列尺寸及型号同D系列;标准版SND/E/G安全光幕选型表。对于光轴间距为20mm的多功能版SND/E安全光幕,其光束从8路开始,并以4路递增,如08,12,16, 20,24.......100;对于其他光轴间距的多功能版SND/E安全光幕,可参照选型表。
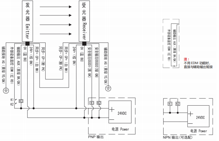
接线图:
SNDE系列:

SNG系列:
