

MCI Series Safety Light Curtain
Features:◆Convenienttomountandwiring,completerangeofmodels;◆Perfectself-checkingfunction;◆Goodimmunitytothesurroundinglightsandelectromagnetic;◆Goodperformanceofanti-vibration,wateranddust;◆LEDintuiti...
Features:
◆ Convenient to mount and wiring, complete range of models;
◆ Perfect self-checking function;
◆ Good immunity to the surrounding lights and electromagnetic;
◆ Good performance of anti-vibration, water and dust;
◆ LED intuitive indication of the sensor’s status;
◆ Optical synchronization applied to save mounting time.
Parameters:
Protection range |
0~8000mm |
Protection height |
Light axis pitch×(beams-1) |
Light axis pitch |
10mm, 20mm, 40mm, 80mm |
Detection capability |
19mm, 29mm, 49mm, 89mm |
Power supply |
DC24V |
Working current |
<200mA |
Loading current |
<200mA |
Response time |
<20ms(<80 beams) |
DC |
>99% |
MTTFD |
120a |
Safety level |
PL c (EN ISO 13849) |
Sealing level |
IP65 |
Operation temp. |
–10°C ~ +55°C |
Humidity |
20°C, RH ≤85% |
Immunity to light |
10000Lux (Angle of incidence ≥5°) |
Anti-vibration |
Frequency:10~55Hz, Amplitude:0.35mm |
Impact resistance |
10g, 16ms, 000times at X,Y,Z axis |
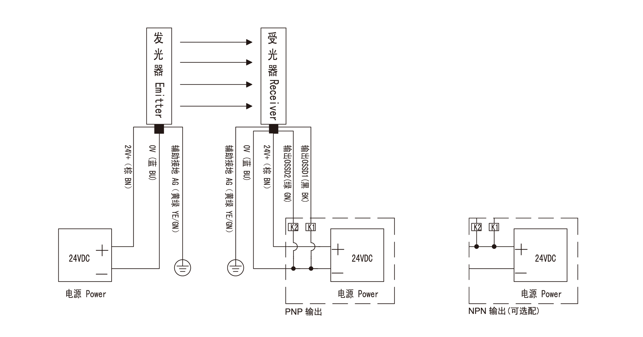
Wiring:
Size:
H:protection height; H1: the distance from upper 1st beam center to the upper end cover:
16.5mm(light axis pitch: 10mm), 26.5mm(light axis pitch: 20mm), 46.5mm(light axis pitch: 40mm);
L:sensor housing height;
Models:
light axis pitch 10mm | light axis pitch 20mm | light axis pitch 40mm | |||||||||
specification | beam | H | L | specification | beam | H | L | specification | beam | H | L |
MCⅠ1610 | 16 | 150 | 188 | MCⅠ 0820 | 8 | 140 | 188 | MCⅠ 0440 | 4 | 120 | 188 |
MCⅠ2010 | 20 | 190 | 228 | MCⅠ 1220 | 12 | 220 | 268 | MCⅠ 0640 | 6 | 200 | 268 |
MCⅠ2410 | 24 | 230 | 268 | MCⅠ 1620 | 16 | 300 | 348 | MCⅠ 0840 | 8 | 280 | 348 |
MCⅠ2810 | 28 | 270 | 308 | MCⅠ 2020 | 20 | 380 | 428 | MCⅠ 1040 | 10 | 360 | 428 |
MCⅠ3210 | 32 | 310 | 348 | MCⅠ 2420 | 24 | 460 | 508 | MCⅠ 1240 | 12 | 440 | 508 |
MCⅠ3610 | 36 | 350 | 388 | MCⅠ 2820 | 28 | 540 | 588 | MCⅠ 1440 | 14 | 520 | 588 |
MCⅠ4010 | 40 | 390 | 428 | MCⅠ 3220 | 32 | 620 | 668 | MCⅠ 1640 | 16 | 600 | 668 |
MCⅠ4410 | 44 | 430 | 468 | MCⅠ 3620 | 36 | 700 | 748 | MCⅠ 1840 | 18 | 680 | 748 |
MCⅠ4810 | 48 | 470 | 508 | MCⅠ 4020 | 40 | 780 | 828 | MCⅠ 2040 | 20 | 760 | 828 |
MCⅠ5210 | 52 | 510 | 548 | MCⅠ 4420 | 44 | 860 | 908 | MCⅠ 2240 | 22 | 840 | 908 |
MCⅠ5610 | 56 | 550 | 588 | MCⅠ 4820 | 48 | 940 | 988 | MCⅠ 2440 | 24 | 920 | 988 |
MCⅠ6010 | 60 | 590 | 628 | MCⅠ 5220 | 52 | 1020 | 1068 | MCⅠ 2640 | 26 | 1000 | 1068 |
MCⅠ6410 | 64 | 630 | 668 | MCⅠ 5620 | 56 | 1100 | 1148 | MCⅠ 2840 | 28 | 1080 | 1148 |
MCⅠ6810 | 68 | 670 | 708 | MCⅠ 6020 | 60 | 1180 | 1228 | MCⅠ 3040 | 30 | 1160 | 1228 |
MCⅠ7210 | 72 | 710 | 748 | MCⅠ 6420 | 64 | 1260 | 1308 | MCⅠ 3240 | 32 | 1240 | 1308 |
MCⅠ7610 | 76 | 750 | 788 | MCⅠ 6820 | 68 | 1340 | 1388 | MCⅠ 3440 | 34 | 1320 | 1388 |
MCⅠ8010 | 80 | 790 | 828 | MCⅠ 7220 | 72 | 1420 | 1468 | MCⅠ 3640 | 36 | 1400 | 1468 |
MCⅠ8410 | 84 | 830 | 868 | MCⅠ 7620 | 76 | 1500 | 1548 | MCⅠ 3840 | 38 | 1480 | 1548 |
MCⅠ8810 | 88 | 870 | 908 | MCⅠ 8020 | 80 | 1580 | 1628 | MCⅠ 4040 | 40 | 1560 | 1628 |
MCⅠ9210 | 92 | 910 | 948 | MCⅠ 8420 | 84 | 1660 | 1708 | MCⅠ 4240 | 42 | 1640 | 1708 |
MCⅠ9610 | 96 | 950 | 988 | MCⅠ 8820 | 88 | 1740 | 1788 | MCⅠ 4440 | 44 | 1720 | 1788 |
MCⅠ10010 | 100 | 990 | 1028 | MCⅠ 9220 | 92 | 1820 | 1868 | MCⅠ 4640 | 46 | 1800 | 1868 |
MCⅠ10410 | 104 | 1030 | 1068 | MCⅠ 9620 | 96 | 1900 | 1948 | MCⅠ 4840 | 48 | 1880 | 1948 |
MCⅠ10810 | 108 | 1070 | 1108 | light axis pitch 80mm | |||||||
MCⅠ11210 | 112 | 1110 | 1148 | MCⅠ 0280 | 2 | 80 | 188 | ||||
MCⅠ11610 | 116 | 1150 | 1188 | MCⅠ 0380 | 3 | 160 | 268 | ||||
MCⅠ12010 | 120 | 1190 | 1228 | MCⅠ 0480 | 4 | 240 | 348 | ||||
MCⅠ12410 | 124 | 1230 | 1268 | MCⅠ 0580 | 5 | 320 | 428 | ||||
MCⅠ12810 | 128 | 1270 | 1308 | MCⅠ 0680 | 6 | 400 | 508 | ||||
MCⅠ13210 | 132 | 1310 | 1348 | MCⅠ 0780 | 7 | 480 | 588 | ||||
MCⅠ13610 | 136 | 1350 | 1388 | MCⅠ 0880 | 8 | 560 | 668 | ||||
MCⅠ14010 | 140 | 1390 | 1428 | MCⅠ 0980 | 9 | 640 | 748 | ||||
MCⅠ14410 | 144 | 1430 | 1468 | MCⅠ 1080 | 10 | 720 | 828 | ||||
MCⅠ14810 | 148 | 1470 | 1508 | MCⅠ 1180 | 11 | 800 | 908 | ||||
MCⅠ15210 | 152 | 1510 | 1548 | MCⅠ 1280 | 12 | 880 | 988 | ||||
MCⅠ15610 | 156 | 1550 | 1588 | MCⅠ 1380 | 13 | 960 | 1068 |