SR4P2A1B22
用于监控急停开关、安全门开关!特点:1、可检测输入触点的短路故障;2、可选择受控手动复位和自动复位;3、具有自我监控的电路;4、工作状态实时监测。PLe;安全类别:Cat.4;SIL3主要参数:型号SR4P2A1B22复位模式手动或自动工作电源DC/AC85-264V功耗3W输出触点2N/O,1N/C切换容量AC-15,5A/250V;DC-13,6A/24V释放缓...
用于监控急停开关、安全门开关!
特点:
1、可检测输入触点的短路故障;
2、可选择受控手动复位和自动复位;
3、具有自我监控的电路;
4、工作状态实时监测。
PL e;安全类别:Cat.4; SIL 3
主要参数:
| 型号 | SR4P2A1B22 |
| 复位模式 | 手动或自动 |
| 工作电源 | DC/AC85-264V |
| 功耗 | 3W |
| 输出触点 | 2N/O,1N/C |
| 切换容量 | AC-15,5A/250V; DC-13,6A/24V |
| 释放缓冲时间 | <15ms |
| 诊断覆盖率 | >99% |
| 平均无危险故障时间 | 60a |
| 平均每小时危险失效率 | 4.7×10-8 |
| 防护等级 | IP50 |
| 工作温度 | -10 ~+55℃ |
| 储存温度 | -40 ~+85℃ |
| 导线截面积 | 最大Max. 2.5mm2 |
| 线缆长度 | 最长Max. 100m |
| 尺寸 | 96(L)×22.5(W)×116(H)mm |
| 符合标准 | EN 60947-5-1, EN 61000-6-2, EN 61000-6-3, IEC/EN 60204-1, EN ISO 13849-1 |
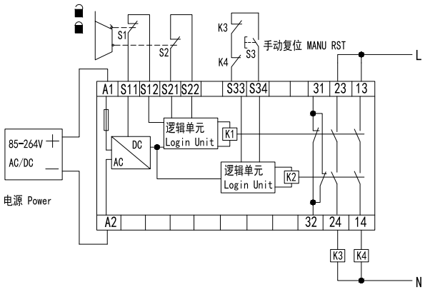
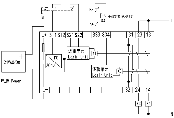
接线图:
安全门:

急停:
