

SR4P3A1B24
用于监控急停开关、安全门开关、双路PNP输出型安全光幕。特点:1、可检测输入触点的短路故障;2、可选择受控手动复位和自动复位;3、具有自我监控的电路;4、工作状态实时监测;5、多种型号可供选择。PLe;安全类别:Cat.4;SIL3。技术参数:型号SR4P3A1B24复位模式手动或自动工作电源DC/AC24V功耗3W输出...
用于监控急停开关、安全门开关、双路PNP输出型安全光幕。
特点:
1、可检测输入触点的短路故障;
2、可选择受控手动复位和自动复位;
3、具有自我监控的电路;
4、工作状态实时监测;
5、多种型号可供选择。
PL e;安全类别:Cat.4; SIL 3。
技术参数:
型号 | SR4P3A1B24 |
复位模式 | 手动或自动 |
工作电源 | DC/AC24V |
功耗 | 3W |
输出触点 | 3N/O,1N/C |
切换容量 | AC-15,5A/250V; DC-13,6A/24V |
释放缓冲时间 | <15ms |
诊断覆盖率 | >99% |
平均无危险故障时间 | 111a |
平均每小时危险失效率 | 2.5×10-8 |
防护等级 | IP50 |
工作温度 | -10 ~+55℃ |
储存温度 | -40 ~+85℃ |
导线截面积 | 最大Max. 2.5mm2 |
线缆长度 | 最长Max. 100m |
尺寸 | 96(L)×22.5(W)×116(H)mm |
符合标准 | EN 60947-5-1, EN 61000-6-2, EN 61000-6-3, IEC/EN 60204-1, EN ISO 13849-1 |
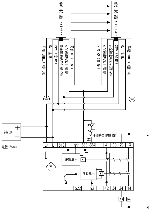
接线图:
安全门:

急停:

接安全光幕(PNP输出):
