
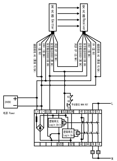
SR型控制器接线
2023-10-31
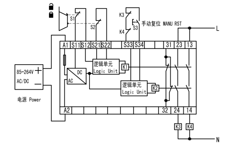
SR4P2A1B22、24接线图:
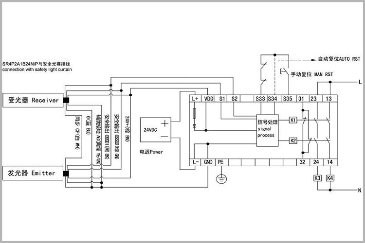
SR4P2A1B24N/P接线图:
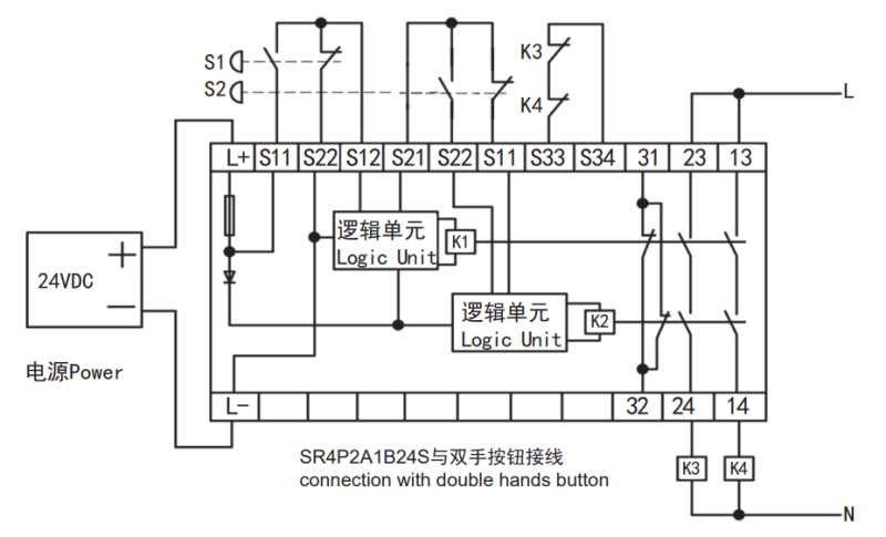
SR4P2A1B24S接线图:
SR4P2A1B22、24接线图:
SR4P2A1B24N/P接线图:
SR4P2A1B24S接线图: