
NPN/PNP输出接线
2023-10-31
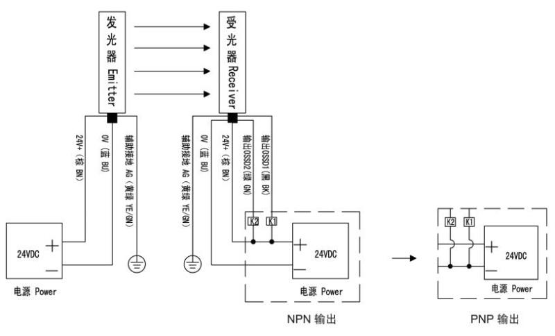
SNA/B/C/Q,STD/Q,SQL型安全光幕NPN/PNP型输出传感器(发光器、受光器)和控制单元的接线:
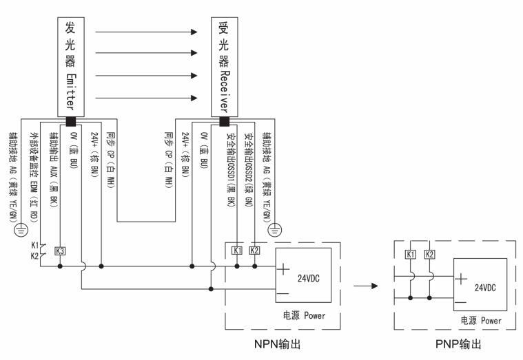
SND/E系列安全光幕NPN/PNP输出接线:
S4系列安全光幕NPN/PNP输出接线:
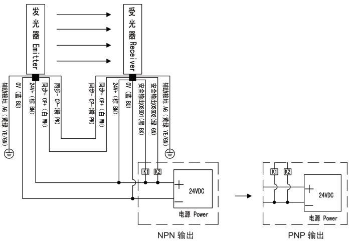
SFA系列安全光幕NPN/PNP输出接线:
MC系列安全光幕NPN/PNP输出接线:
MC II系列安全光幕NPN/PNP输出接线:
SND/E系列自学习安全光幕接线: